Allen Zhuang ZHUO
Professor
Visit:
Research Focus
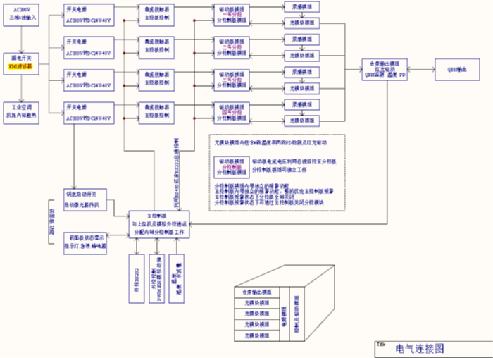
光电设备工业物联网技术

主要研究各种光电设备物联网技术、采用嵌入式工控设备实现个光电终端设备之间的工业互联,为无人工厂柔性生产线提供先进的软件和硬件解决方案。

image.png


Copyright All Rights Reserved Shandong University Address: No. 27 Shanda South Road, Jinan City, Shandong Province, China: 250100
Information desk: (86) - 0531-88395114
On Duty Telephone: (86) - 0531-88364731 Construction and Maintenance: Information Work Office of Shandong University